- Главная
- Каталог
- Новый каталог
- Модульная НВА
- Модульные лампы и кнопки на DIN-рейку
- Кнопки DIN
- Выключатель кнопочный зеленый ВК-47 2НО;2НЗ TDM
Выключатель кнопочный зеленый ВК-47 2НО;2НЗ TDM
 по запросу 
                
            Артикул SQ0214-0006
            
            
            
        Выключатель кнопочный зеленый ВК-47 2НО;2НЗ TDM SQ0214-0006
Маркировка
- Номинальный ток значение тока в амперах (А), который аппарат способен пропускать бесконечно долго без отключения цепи.
- Номинальное напряжение напряжение переменного тока (знак ~), при котором аппарат работает в нормальных условиях.
Применение
- Cистемы автоматизации технологических процессов или защиты конкретных объектов.
Материалы
- Корпус и детали выполнены из пластика, не поддерживающего горение.
- Маркировка выполнена в соответствии с требованиями ГОСТ и не подвержена стиранию в пределах срока эксплуатации.
Назначение
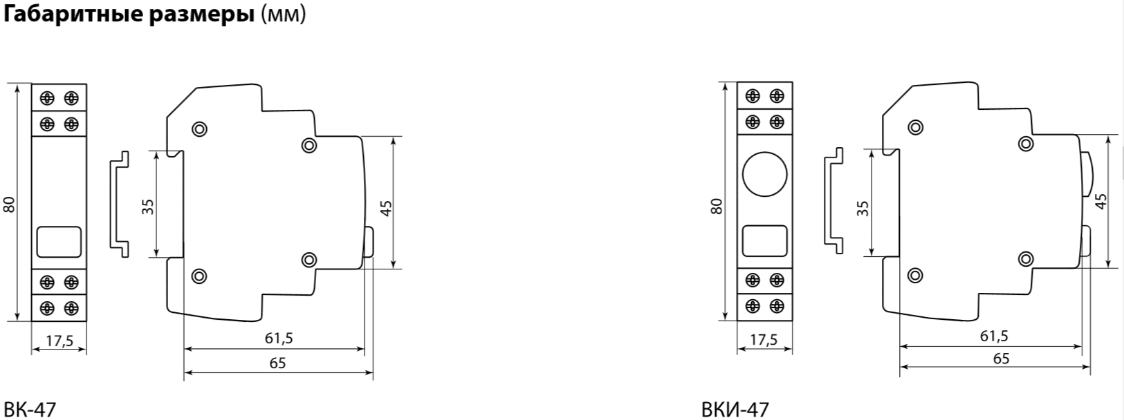
- Кнопочные выключатели ВК47 и ВКИ47 служат для оперативного управления магнитными пускателями (контакторами), реле автоматики и другим технологическим оборудованием в электрических цепях переменного тока напряжением до 230 В. Кроме того, ВКИ47 оснащены светодиодным индикатором состояния электрической цепи.
- Сигнальные лампы ЛС47 и ЛСК47 со светодиодной матрицей служат для световой сигнализации состояния задействованной электрической цепи.




Технические характеристики:
| Тип | Выключатель кнопочный на дин-рейку | 
|---|---|
| Минимальная отгрузка, ед. | 1 | 
| Цвет | зеленый | 




















 
            













