- Главная
- Каталог
- Новый каталог
- Измерительные приборы
- Измерительные трансформаторы тока
- Трансформаторы тока ТТН-Ш (с шиной)
- Трансформаторы тока ТТН-Ш (РФ) (кл.точн.0,5S) МПИ 16 лет
- ТТН-Ш 75/5- 5VA/0,5S-Р TDM
ТТН-Ш 75/5- 5VA/0,5S-Р TDM
по запросу
Артикул SQ1101-1033
Назначение
- Для получения слаботочного сигнала, пропорционального протекающему по силовой цепи току в сетях до 0,66кВ 50 Гц.
Применение
- В схемах контроля энергопотребления с помощью измерительных приборов, учёта энергопотребления, управления средствами автоматами и защиты.
Материалы
- Корпус из негорючего самозатухающего пластика.
Преимущества
- Все трансформаторы внесены в государственный реестр средств измерений и имеют свидетельство типа CN.C.34.158.A №74216.
- Все трансформаторы поверенные и имеют соответствующие штампы на корпусе и в паспорте.
- Ассортимент трансформаторов ТТН класса точности 0,5 очень широк и охватывает ряд востребованных исполнений, таких как ТТН-Ш: 300-1000А; ТТН60; ТТН100 и ТТН125, отсутствующих у ряда российских производителей
- Клеммные зажимы вторичной обмотки закрыты прозрачной крышкой, что обеспечивает электробезопасность при эксплуатации.
- Возможность пломбировки крышки вторичной обмотки, что позволяет исключить несанкционированное подключение к ней.
- Возможность подключения как медных, так и алюминиевых проводников к трансформаторам тока ТТН-Ш со встроенной шиной.
- Трансформаторы ТТН (color) имеют разные цвета корпусов: желтый, зеленый и красный, соответствующие цветам фазных шин, что облегчает визуализацию фаз в шкафу.
Конструкция
- Неразборная конструкция корпуса.
- Способы монтажа: на шину с помощью специальной фиксирующей распорки или на монтажную панель щитка и использованием специальных кронштейнов.
- Универсальное окно, позволяющее подключать внешние шины различных размеров и конфигураций в трансформаторах тока ТТН без встроенной шины.
- В комлектацию входят 4 кронштейна для крепления трансформатора тока на монтажную панель, крепежная планка для крепления на шину и 2 винта с пластиковыми наконечникам к ней, а также инструкция.
- Подробная инструкция по монтажу и эксплуатации позволяет легко монтировать трансформатор.
Таблица аналогов
| TDM - ТТН | ЭЛТИ Т-0,66 | Свердловский завод ТТ ТОП, ТШП |
| ТТН-Ш | Т-0,66-М-У3 | ТОП-0,66 1-200А |
| ТТН-30 | Т-0,66-М-У3 200/5А Т-0,66-М-У3 400/5А | ТШП-0,66 200-400А |
| ТТН-40 | Т-0,66-М-У3 500/5А Т-0,66-М-У3 800/5А | ТШП-0,66 300-800А |
| ТТН-60 | - | - |
| ТТН-85 | Т-0,66-М-У3 1000/5А Т-0,66-М-У3 2000/5А | ТШП-0,66 800А |
| ТТН-100 | ТШП-0,66 1000-2000А | - |
| ТТН-125 | - | - |
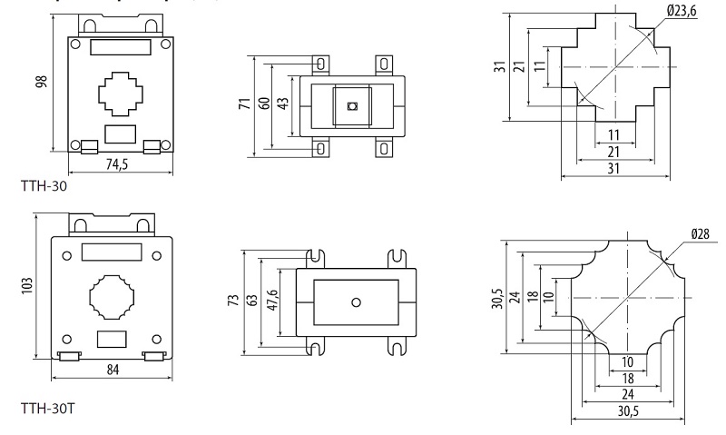
Габаритные размеры
Технические характеристики:
| Тип | Трансформатор тока |
|---|---|
| Минимальная отгрузка, ед. | 1 |
| Бренд | TDM |
| Класс точности | 0,5S |
| Конструкция | с шиной |
| Коэффициент трансформации | 75/5 |
| Межповерочный интервал | 16 лет |





































