- Главная
- Каталог
- Новый каталог
- Промышленная НВА
- Реле тепловые для контакторов
- Реле токовые электронные серии РТЭН
- РТЭН-5367 60-100А TDM
РТЭН-5367 60-100А TDM
по запросу
Артикул SQ0733-0003
РТЭН-5367 60-100А TDM SQ0733-0003
Назначение
Для защиты от перегрузки и несимметричных режимов работы электротехнического оборудования (электродвигателей большой мощности, нагревательных печей и др.)
Применение
Эксплуатируются совместно с контакторами КТН или аналогичными им
Конструкция
- Наличие прозрачной пломбируемой крышки, защищающий диск выбора уставок срабатывания реле, исключает несанкционированное или случайное их изменение
- При обрыве любой из питающих фаз электрической сети реле РТЭН отключают нагрузку на время, не превышающее 4с, предотвращая аварийную ситуацию
- Используемая в реле РТЭН цифровая обработка сигналов фазных датчиков трансформаторов реле обеспечивает более широкий диапазон регулирования уставок срабатывания и высокую эффективность защиты электродвигателей
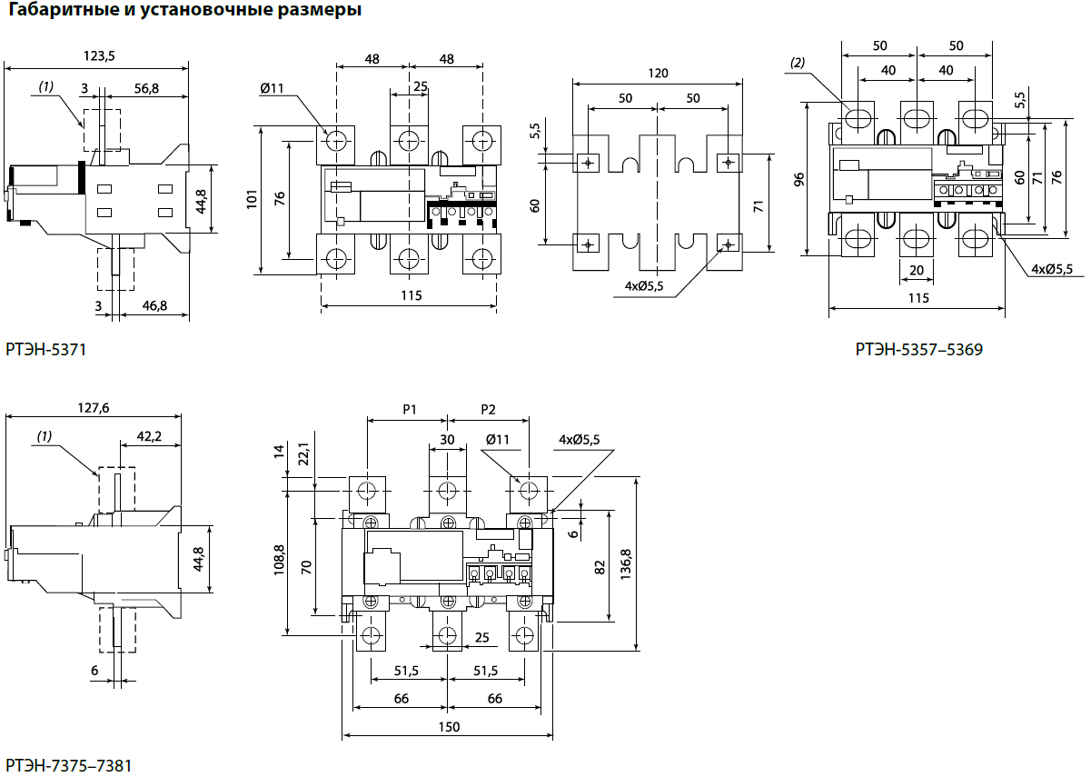
- В эксплуатации реле устанавливают непосредственно возле контактора на подставке-скобе (ПС-901 для контакторов на токи 115 225А; ПС-902 для контакторов на токи 265630А) и соединяют с контактором перемычками СШ-401СШ-406.


Технические характеристики:
| Минимальная отгрузка, ед. | 1 |
|---|


































